当前位置: 首页 > 成人高考 > 物理(高起点) > 如图理想变压器原线圈接稳压交变电源,副线圈接电阻R0 和滑动变阻器R ,原、副线圈电路中分别接有理想电流表和电压表,现在闭合开关,滑动头P由a 端向b移动则

1.【单选题】

知识点:第十三章 第四节:变压器

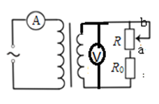
如图理想变压器原线圈接稳压交变电源,副线圈接电阻R0 和滑动变阻器R ,原、副线圈电路中分别接有理想电流表和电压表,现在闭合开关,滑动头P由a 端向b移动则

A

Ⓐ的示数增大,Ⓥ的示数变大

B

Ⓐ的示数变小,Ⓥ的示数增大

C

Ⓐ的示数变大,Ⓥ的示数不变

D

Ⓐ的示数减小,Ⓥ的示数不变

查看答案
获取二级造价工程师定制学习规划
壮壮老师
00:00:00
2334已获取

微信号:hqwxjg1006

成人高考历年真题 更多

下载快题库,随时随地刷题
碎片时间巩固知识点

返回顶部