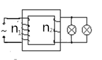
当前位置: 首页 > 成人高考 > 物理(高起点) > 变压器输入端的交流电压e=220sin(100πt)V,此交流电的周期为_______S。在输出端连接有两个相同的阻值均为11Ώ欧的灯泡,当n1:n2=40:1时两个灯泡恰好正常发光,小灯泡的额定电压为_______v,此时流过每个灯泡的电流为_______A。

1.【填空题】

知识点:第十三章 第四节:变压器

变压器输入端的交流电压e=220sin(100πt)V,此交流电的周期为_______S。在输出端连接有两个相同的阻值均为11欧的灯泡,n1:n2=40:1时两个灯泡恰好正常发光,小灯泡的额定电压为_______v,此时流过每个灯泡的电流为_______A

1
2
3
查看答案
获取二级造价工程师定制学习规划
壮壮老师
00:00:00
2334已获取

微信号:hqwxjg1006

成人高考历年真题 更多

下载快题库,随时随地刷题
碎片时间巩固知识点

返回顶部