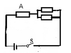
当前位置: 首页 > 成人高考 > 物理(高起点) > 如图电源的电动势为E,内电阻为r,三个电阻的阻值为2r ,现在闭合开关S,则电阻A消耗的电功率为

1.【单选题】

知识点:第十章 第四节:电流的功 电功率

如图电源的电动势为E,内电阻为r,三个电阻的阻值为2r ,现在闭合开关S,则电阻A消耗的电功率为

A

E2/18r  

B

E2/16r

C

E2/8r

D

2E2/9r

查看答案
获取二级造价工程师定制学习规划
壮壮老师
00:00:00
2334已获取

微信号:hqwxjg1006

成人高考历年真题 更多

下载快题库,随时随地刷题
碎片时间巩固知识点

返回顶部